
Details | |
|---|---|
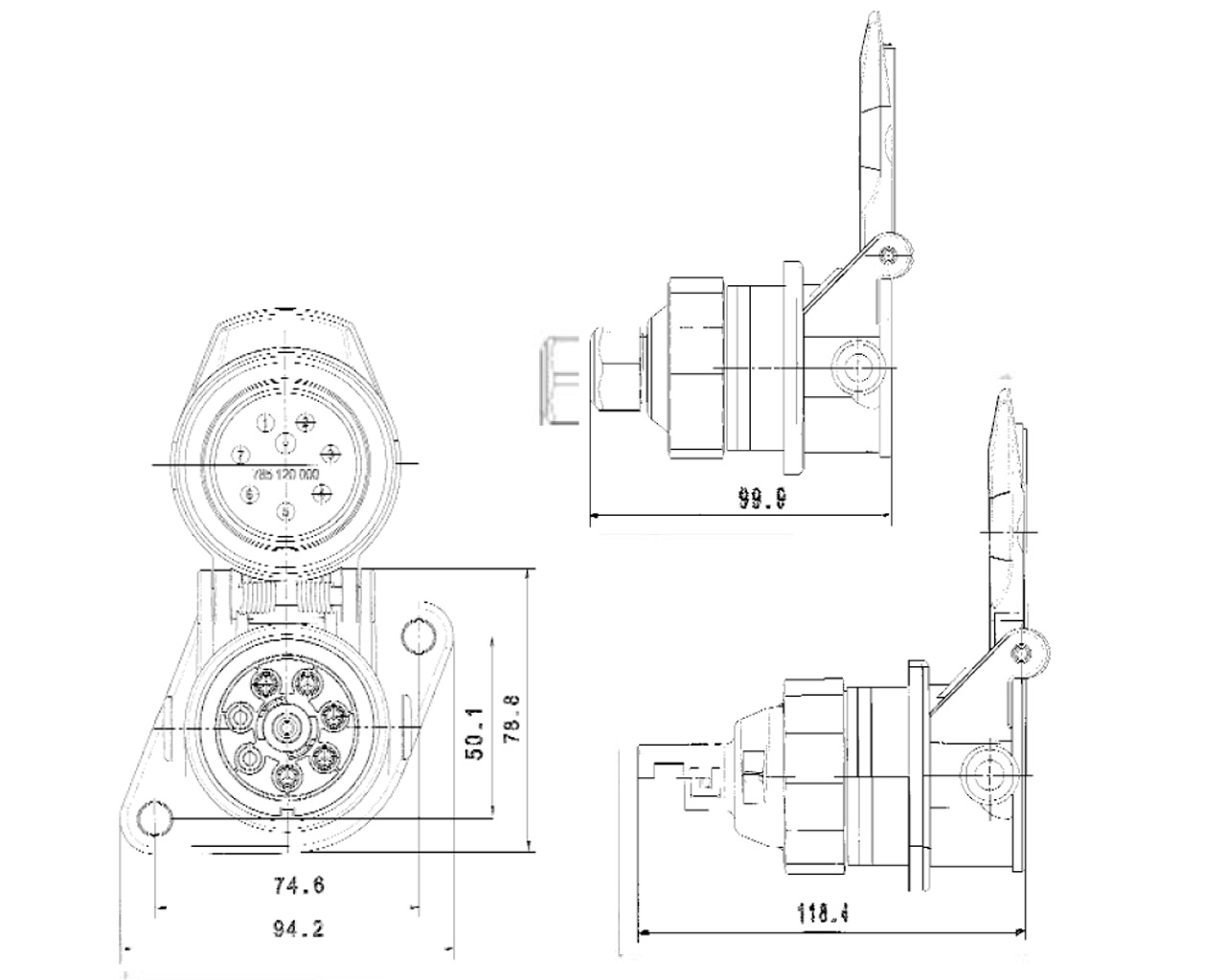
| Standard | ISO 7638 |
| Voltage | 24 V |
| Material | Impact resistant plastic Material pin contacts: nickel silver, optimum anticorrosive coating |
| Further information | For cable section 8-12,5mm 5 x 1,5 mm² + 2 x 4 mm² Injected seal in housing Controlled GGVS and ADR Available with hand crimping tool 2-parts pin contact with external snap ring |
Specifications | ||||
|---|---|---|---|---|
| Article no. | crimp contacts and Seals | screw-contacts | Cable exit with screw cap | nutn NW13, 180° |
| 785 420 100 | ||||
| 785 420 200 | ||||
| 785 420 300 | ||||
| 785 420 310 | ||||
| 785 422 100 | ||||
Parking Socket 24 V | |
|---|---|
| Article no. | |
| 785 220 300 | Parking Socket 24 V |